Environment & Energy
Related: About this forumFrom Mining to Manufacturing: Scientific Challenges and Opportunities behind Battery Production
The paper I'll discuss in this post is this one: From Mining to Manufacturing: Scientific Challenges and Opportunities behind Battery Production Jie Xiao, Xia Cao, Bernard Gridley, William Golden, Yuchen Ji, Stacey Johnson, Dongping Lu, Feng Lin, Jun Liu, Yijin Liu, Zhao Liu, Hemanth Neelgund Ramesh, Feifei Shi, Jeremy Schrooten, Mary J. Sims, Shijing Sun, Yuyan Shao, Alon Vaisman, Jihui Yang, and M. Stanley Whittingham Chemical Reviews 2025 125 (13), 6397-6431.
I repeat myself frequently, as a day will repeat its color, noting that despite the absurd claim that somehow batteries are "green," they are devices that destroy exergy, the useful energy that can be converted to work, whether the "work" be propulsion, computational, whatever.
The exact amount of energy that is lost in charging and discharging a battery is somewhat arcane, as I noted reporting on a paper utilizing the Doyle Fuller Newman equation to interpret thermodynamic losses (to heat generally) of batteries in operation.
Wasting energy is not "green," even if it generated from so called "renewable energy," since the land and material uses of so called "renewable energy" are environmentally odious irrespective of popular belief to the contrary.
However, the issue of the environmental impact of batteries is not merely limited to the fact that batteries destroy exergy, but also the issues associated with their manufacture, which is the point of the Chemical Reviews paper cited at the outset. The mineral, chemical, and other material costs have a notable environmental impact, which is routinely subject of handwaving by "renewables will save us" antinuke types here and elsewhere.
The paper cited is free access, anyone can read it. As it is a long paper, a review, I will not spend much time with it, but will merely point to a few pictures of these allegedly "green" devices which should inspire people possessing open minds to question the "green" assignation of batteries that is applied in a decidedly rote manner without any serious thought or reflection.
From the paper's introduction:
The cost of Li-ion batteries (LIBs) has dropped significantly from a few thousand dollars per kWh in the 1990s to around $100/kWh today. (2) However, to further accelerate electric vehicle (EV) market penetration and enable large-scale deployment of grid energy storage, the cost must be reduced below $100/kWh. Achieving this requires cost-efficient materials and processing technologies along with increased cell-level energy density, (3) because the cost of a battery is defined as $$/kWh. In addition to the cell-level energy from each building block of the pack, battery lifetime─that is, the total deliverable energy during the lifespan of the battery─also plays a key role in determining the cost in the long term, which needs more fundamental understanding about stabilizing the structures of cathodes and their interfaces, which is not the focus of this Review. CO2 emission from battery manufacturing has been covered by quite a few review papers (4−8) and thus will not be discussed herein.
Fundamental research related to battery manufacturing needs to be cost oriented. For conventional LIBs, graphite production is quite mature. To further reduce the cost of graphite production, natural graphite is of great importance, but its electrochemical performance still needs further improvement without introducing an additional cost. The manufacturing of high-performance graphite also relies on equipment such as specialized furnaces to precisely tune the temperatures and heating environments to control the electrochemical properties of carbon. Hard carbon is also proposed for LIBs and, so far, is the best anode material for Na-ion batteries. Synthesis of hard carbon from sustainable resources is one of the promising directions from a manufacturing cost and scalability point of view.
For the conventional LiNi0.6Mn0.2Co0.2O2 (NMC622) cathode, the manufacturing costs fluctuate with raw material prices, including lithium salts and transition metal sulfates. Additionally, various synthesis approaches also impact the production cost of NMC materials... (9)
One would be safe to assume that herein "cost" is defined as monetary, and as is usually the case, the external costs - environmental destruction, destruction of fauna and flora, pollution of water, land and air - are ignored, although the authors point to references covering the carbon cost of batteries in this produced introduction.
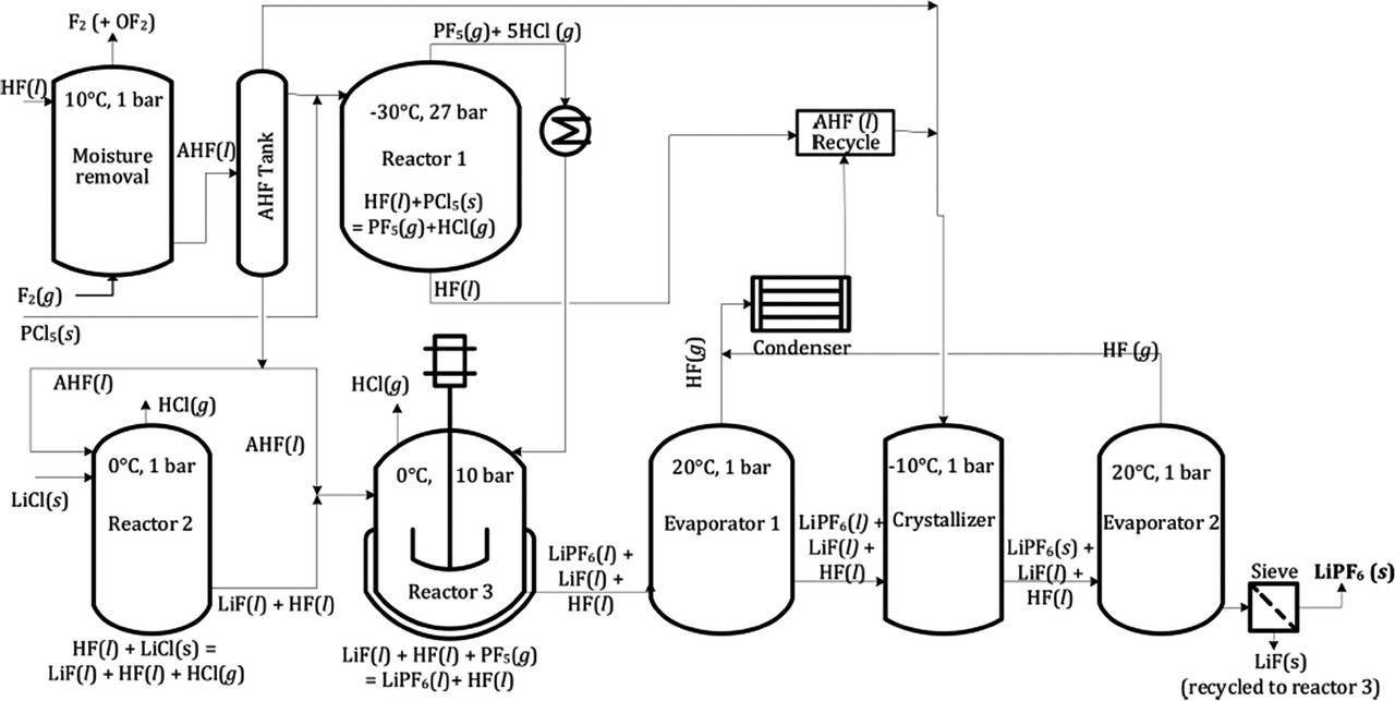
A few pictures from the paper:
The isolation of lithium from natural sources:

The caption:
The generation of the lithium hexafluorophosphate in batteries:

The caption:
Making the graphite electrodes:

The caption:
Note that the starting material, the "raw material" in the diagram is from a dangerous fossil fuel.
Production of lithium metal:

The caption:
Note that these processes require heat, which the main forms of so called "renewable energy" cannot efficiently or reliably produce.

The caption:
The big fat truck in the picture is not wind powered/
...and so on...
Again the paper is free to read in its entirety if one is interested. If one is not interested, one can always go around muttering that batteries are "green," which to my mind - if not other minds - is exactly equivalent to climate denial, certainly in the result, if not the intent.
Have a nice day tomorrow. I trust your Thanksgiving planning is going well.